Вернуться в общее описание
Редукторы NMRV имеют следующие типоразмеры:
nmrv 030, nmrv 040, nmrv 050, nmrv 063, nmrv 075, nmrv 090, nmrv 110, nmrv 130, nmrv 150
- Типоразмер - 130 - изготавливается из серого чугуна, с последующей механической обработкой;
- Нагрузочная способность в соответствии с: ISO 14521, ISO 6336, DIN 3990, DIN 743, ISO 281, DIN 3996, BS 721, AGMA 6034;
- Передаточное отношение - 7,5 - 100;
- Мощность электродвигателя - 0,75 - 7,5 квт;
- Момент на выходном валу - 280 - 1596 Нм;
- Окраска редуктора синяя - RAL 5010.
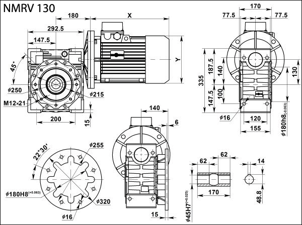
Габаритные и присоединительные размеры NMRV 130

Выходные обороты и мощность электродвигателя
Мощность электродвигателя в кВт |
Скорость вращения выходного вала в об/мин |
Момент на выходном валу в Нм |
Сервис-фактор s/f |
Передаточное отношение - i |
Габарит и количество полюсов электродвигателя |
Максимальная радиальная нагрузка на выходной вал |
0,75 |
11.3 |
407 |
2.1 |
80 |
90S6 |
12989 |
9.0 |
470 |
1.7 |
100 |
13500 |
1,1 |
11.3 |
598 |
1.4 |
80 |
90 L6 |
12989 |
9.0 |
689 |
1.1 |
100 |
13500 |
17.5 |
408 |
2.1 |
80 |
90S4 |
11210 |
14.0 |
480 |
1.5 |
100 |
12076 |
1,5 |
22.5 |
478 |
2.3 |
40 |
100L6 |
10309 |
18.0 |
573 |
1.8 |
50 |
11105 |
15.0 |
659 |
1.4 |
60 |
11801 |
11.3 |
815 |
1.1 |
80 |
12989 |
17.5 |
557 |
1.5 |
80 |
90L4 |
11210 |
14.0 |
655 |
1.1 |
100 |
12076 |
2,2 |
35.0 |
468 |
2.2 |
40 |
100LA4 |
8897 |
28.0 |
563 |
1.7 |
50 |
9584 |
23.3 |
648 |
1.4 |
60 |
10185 |
17.5 |
816 |
1.0 |
80 |
11210 |
36.0 |
479 |
2.2 |
25 |
112M6 |
8814 |
30.0 |
546 |
2.1 |
30 |
9366 |
22.5 |
700 |
1.6 |
40 |
10309 |
18.0 |
840 |
1.2 |
50 |
11105 |
15.0 |
966 |
1.0 |
60 |
11801 |
35.0 |
438 |
1.3 |
80 |
90L2 |
8897 |
28.0 |
525 |
1.0 |
100 |
9584 |
3 |
56.0 |
430 |
2.2 |
25 |
100LB4 |
7607 |
46.7 |
491 |
2.1 |
30 |
8084 |
35.0 |
638 |
1.6 |
40 |
8897 |
28.0 |
767 |
1.3 |
50 |
9584 |
23.3 |
884 |
1.0 |
60 |
10185 |
17.5 |
1113 |
0.8 |
80 |
11210 |
90.0 |
280 |
3.4 |
10 |
132S6 |
6494 |
60.0 |
406 |
2.6 |
15 |
7434 |
45.0 |
535 |
1.9 |
20 |
8182 |
36.0 |
653 |
1.6 |
25 |
132S6 |
8814 |
30.0 |
745 |
1.6 |
30 |
9366 |
22.5 |
955 |
1.2 |
40 |
10309 |
4 |
56.0 |
573 |
1.6 |
25 |
112M4 |
7607 |
46.7 |
655 |
1.6 |
30 |
8084 |
35.0 |
851 |
1.2 |
40 |
8897 |
28.0 |
1023 |
1.0 |
50 |
9584 |
23.3 |
1179 |
0.8 |
60 |
10185 |
120.0 |
287 |
3.1 |
7.5 |
132M6 |
5901 |
90.0 |
374 |
2.6 |
10 |
6494 |
60.0 |
541 |
2.0 |
15 |
7434 |
45.0 |
713 |
1.5 |
20 |
8182 |
36.0 |
870 |
1.2 |
25 |
8814 |
5,5 |
140.0 |
334 |
2.5 |
10 |
132S4 |
5605 |
93.3 |
490 |
1.9 |
15 |
6416 |
70.0 |
645 |
1.4 |
20 |
7062 |
56.0 |
788 |
1.2 |
25 |
7607 |
46.7 |
900 |
1.2 |
30 |
8084 |
35.0 |
1171 |
0.9 |
40 |
8897 |
7,5 |
186.7 |
349 |
2.1 |
7.5 |
132M4 |
5092 |
140.0 |
455 |
1.8 |
10 |
5605 |
93.3 |
668 |
1.4 |
15 |
6416 |
70.0 |
880 |
1.0 |
20 |
7062 |
56.0 |
1074 |
0.9 |
25 |
7607 |
46.7 |
1228 |
0.8 |
30 |
8084 |
35.0 |
1596 |
0.7 |
40 |
8897 |
Пример заказа редуктора:
NMRV - 130 - 25 - 56 - 5,5 - B3
NMRV - модель червячного редуктора
130 - габарит межцентровое расстояние в мм
25
- передаточное число
56
- скорость вращения выходного вала, об/мин
5,5 - мощность электродвигателя, кВт
B3 - расположение в пространстве
|