Вернуться в общее описание
Редукторы NMRV имеют следующие типоразмеры:
nmrv 030, nmrv 040, nmrv 050, nmrv 063, nmrv 075, nmrv 090, nmrv 110, nmrv 130, nmrv 150
- Типоразмер - 090 - изготавливается из алюминиевого сплава, литого под давлением;
- Нагрузочная способность в соответствии с: ISO 14521, ISO 6336, DIN 3990, DIN 743, ISO 281, DIN 3996, BS 721, AGMA 6034;
- Передаточное отношение - 7,5 - 100;
- Мощность электродвигателя - 0,37- 4,0 квт;
- Момент на выходном валу - 71 - 480 Нм;
- Окраска редуктора синяя - RAL 5010.
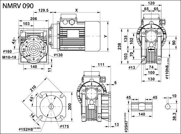
Габаритные и присоединительные размеры NMRV 090

Выходные обороты и мощность электродвигателя
Мощность электродвигателя в кВт |
Скорость вращения выходного вала в об/мин |
Момент на выходном валу в Нм |
Сервис-фактор s/f |
Передаточное отношение - i |
Габарит и количество полюсов электродвигателя |
Максимальная радиальная нагрузка на выходной вал |
0,37 |
11.3 |
185 |
1.7 |
80 |
80A6 |
7859 |
9.0 |
212 |
1.3 |
100 |
8180 |
0,55 |
17.5 |
189 |
1.5 |
80 |
80A4 |
6783 |
14.0 |
221 |
1.2 |
100 |
7306 |
18.0 |
198 |
2.0 |
50 |
80B6 |
6719 |
15.0 |
224 |
1.6 |
60 |
7140 |
11.3 |
275 |
1.1 |
80 |
7859 |
9.0 |
315 |
0.9 |
100 |
8180 |
0,75 |
35.0 |
141 |
1.6 |
80 |
80A2 |
5383 |
28.0 |
166 |
1.2 |
100 |
5799 |
28.0 |
184 |
1.8 |
50 |
80B4 |
5799 |
23.3 |
212 |
1.5 |
60 |
6163 |
17.5 |
258 |
1.1 |
80 |
6783 |
14.0 |
302 |
0.9 |
100 |
7306 |
30.0 |
179 |
2.6 |
30 |
90S6 |
5667 |
22.5 |
226 |
1.8 |
40 |
6238 |
18.0 |
271 |
1.4 |
50 |
6719 |
15.0 |
306 |
1.1 |
60 |
7140 |
1,1 |
35.0 |
207 |
1.1 |
80 |
80B2 |
5383 |
28.0 |
244 |
0.8 |
100 |
5799 |
36.0 |
231 |
1.6 |
25 |
90L6 |
5333 |
30.0 |
263 |
1.8 |
30 |
5667 |
22.5 |
331 |
1.2 |
40 |
6238 |
18.0 |
397 |
1.0 |
50 |
6719 |
15.0 |
448 |
0.8 |
60 |
7140 |
35.0 |
225 |
1.6 |
40 |
90S4 |
5383 |
28.0 |
270 |
1.3 |
50 |
5799 |
23.3 |
311 |
1.0 |
60 |
6163 |
1,5 |
90.0 |
138 |
2.7 |
10 |
100L6 |
3929 |
60.0 |
201 |
2.1 |
15 |
4498 |
45.0 |
258 |
1.5 |
20 |
4951 |
36.0 |
314 |
1.2 |
25 |
5333 |
30.0 |
358 |
1.3 |
30 |
5667 |
70.0 |
172 |
2.1 |
20 |
90L4 |
4273 |
56.0 |
210 |
1.6 |
25 |
4603 |
46.7 |
239 |
1.7 |
30 |
4891 |
35.0 |
307 |
1.2 |
40 |
5383 |
28.0 |
368 |
0.9 |
50 |
5799 |
23.3 |
424 |
0.8 |
60 |
6163 |
56.0 |
194 |
1.4 |
50 |
90S2 |
4603 |
46.7 |
227 |
1.1 |
60 |
4891 |
2,2 |
186.7 |
101 |
2.9 |
7.5 |
100LA4 |
3081 |
140.0 |
134 |
2.3 |
10 |
3391 |
93.3 |
194 |
1.9 |
15 |
3882 |
70.0 |
252 |
1.4 |
20 |
4273 |
56.0 |
308 |
1.1 |
25 |
4603 |
46.7 |
351 |
1.2 |
30 |
4891 |
120.0 |
156 |
2.2 |
7.5 |
112М6 |
3570 |
90.0 |
203 |
1.8 |
10 |
3929 |
60.0 |
294 |
1.4 |
15 |
4498 |
45.0 |
378 |
1.0 |
20 |
4951 |
140.0 |
131 |
2.0 |
20 |
90L2 |
3391 |
112.0 |
159 |
1.6 |
25 |
3653 |
93.3 |
185 |
1.7 |
30 |
3882 |
70.0 |
237 |
1.2 |
40 |
4273 |
56.0 |
285 |
0.9 |
50 |
4603 |
3 |
373.3 |
71 |
3.0 |
7.5 |
100LA2 |
2446 |
280.0 |
92 |
2.6 |
10 |
2692 |
186.7 |
138 |
2.1 |
7.5 |
100LB4 |
3081 |
140.0 |
182 |
1.7 |
10 |
3391 |
93.3 |
264 |
1.4 |
15 |
3882 |
70.0 |
344 |
1.0 |
20 |
4273 |
56.0 |
420 |
0.8 |
25 |
4603 |
46.7 |
479 |
0.9 |
30 |
4891 |
4 |
373.3 |
94 |
2.2 |
7.5 |
112M2 |
2446 |
280.0 |
123 |
1.9 |
10 |
2692 |
186.7 |
184 |
1.6 |
7.5 |
112M4 |
3081 |
140.0 |
243 |
1.3 |
10 |
3391 |
93.3 |
352 |
1.0 |
15 |
3882 |
70.0 |
458 |
0.8 |
20 |
4273 |
Пример заказа редуктора:
NMRV - 090 - 40 - 35 - 3,0 - B3
NMRV - модель червячного редуктора
090 - габарит межцентровое расстояние в мм
40
- передаточное число
35 - скорость вращения выходного вала, об/мин
3,0 - мощность электродвигателя, кВт
B3 - расположение в пространстве
|