PAM - размеры моторного фланца NMRV

Мотор-редукторы NMRV

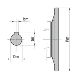
Моторный фланец на редукторе NMRV – съемный. По желанию возможна установка нестандартного фланца под ваш электродвигатель. Также следует помнить, что электродвигатели стандарта DIN зарубежных производителей имеют два варианта выходного фланца (B14 – малый фланец и B5 – большой фланец).

Вернуться в общее описание

 

Габаритные и присоединительные размеры NMRV

Размеры выходного фланца NMRV

Размеры входного (моторного) фланца NMRV

Размеры выходного вала NMRV

Рычаг крутящего момента NMRV

Монтажные позиции NMRV

Устройство редуктора NMRV

Выходные обороты и мощность электродвигателей (кВт)

 

PAM - Размеры моторного фланца

В5
IEC
056
063
071
080
090
100
112
132
160
Pm
120
140
160
200
200
250
250
300
350
Dm
9
11
14
19
24
28
28
38
42
bm
3
4
5
6
8
8
8
10
12
tm
10,4
12,8
16,3
21,8
27,3
31,3
31,3
41,3
45,3

 

B14
IEC
056
063
071
080
090
100
112
Pm
80
90
105
120
140
160
160
Dm
9
11
14
19
24
28
28
bm
3
4
5
6
8
8
8
tm
10,4
12,8
16,3
21,8
27,3
31,3
31,3

 

 

 
© 2014 Редукторы, мотор-редукторы, устройства плавного пуска, преобразователи частоты