Техническое описание
Условия применения
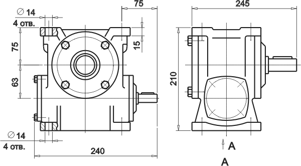
Габаритные и присоединительные размеры
Варианты сборки
Технические характеристики
Масса редуктора, кг
Техническое описание
Редукторы изготавливаются только в необдуваемом исполнении (без вентилятора) для эксплуатации с переменной нагрузкой, не превышающей значений, указанных в табл. 1, одного направления или реверсивной при работе в основных повторно-кратковременных режимах с периодическими остановками и продолжительностью включений ПВ < = 40%, частотой включения и остановок в час f < = 60, циклом работы T < = 1 мин, и для эксплуатации с постоянной нагрузкой, не превышающей значений, указанных в табл. 1, одного направления или реверсивной при непрерывном режиме с продолжительностью включения 40% < ПВ <= 100%, циклом работы 1 мин < Т <= 24 ч/сутки.
УСЛОВИЯ ПРИМЕНЕНИЯ РЕДУКТОРОВ
- нагрузка постоянная и переменная одного направления и реверсивная;
- работа постоянная и с периодическими остановками;
- вращение валов в любую сторону;
- температура внешней среды от - 40°С до + 50°С; внешняя среда - неагрессивная, невзрывоопасная.

Габаритные и присоединительные размеры



Технические характеристики
Частота вращения входного вала, об/мин |
Режим работы редуктора |
Допускаемый крутящий момент на выходном валу, Н/м |
при номинальных передаточных числах |
8,0 |
10,0 |
12,5 |
16,0 |
20,0 |
25,0 |
31,5 |
40,0 |
50,0 |
63,0 |
80,0 |
1500 |
ПВ>63% |
130 |
130 |
120 |
130 |
130 |
120 |
130 |
130 |
125 |
110 |
105 |
ПВ=63% |
140 |
125 |
125 |
150 |
132 |
125 |
170 |
160 |
132 |
106 |
100 |
ПВ=40% |
160 |
132 |
132 |
160 |
140 |
132 |
200 |
170 |
140 |
106 |
100 |
ПВ=25% |
160 |
140 |
132 |
180 |
140 |
132 |
200 |
180 |
150 |
112 |
106 |
ПВ=16% |
170 |
150 |
132 |
190 |
150 |
140 |
200 |
190 |
150 |
112 |
106 |
1000 |
ПВ>63% |
145 |
145 |
140 |
145 |
145 |
140 |
145 |
145 |
140 |
120 |
115 |
ПВ=63% |
160 |
140 |
140 |
170 |
150 |
140 |
100 |
180 |
150 |
120 |
110 |
ПВ=40% |
180 |
150 |
150 |
180 |
160 |
150 |
200 |
190 |
160 |
120 |
110 |
ПВ=25% |
180 |
160 |
150 |
200 |
160 |
150 |
210 |
200 |
170 |
125 |
120 |
ПВ=16% |
190 |
170 |
150 |
210 |
170 |
160 |
220 |
210 |
170 |
125 |
120 |
750 |
ПВ>63% |
160 |
160 |
155 |
160 |
160 |
155 |
160 |
160 |
150 |
135 |
130 |
ПВ=63% |
180 |
180 |
160 |
190 |
170 |
160 |
220 |
210 |
170 |
130 |
130 |
ПВ=40% |
210 |
170 |
170 |
210 |
180 |
170 |
240 |
220 |
180 |
130 |
130 |
ПВ=25% |
210 |
180 |
170 |
240 |
180 |
170 |
250 |
240 |
190 |
140 |
140 |
ПВ=16% |
220 |
190 |
170 |
250 |
190 |
180 |
260 |
250 |
190 |
140 |
140 |
Частота вращения входного вала, об/мин |
Коэффициент полезного действия, % |
при номинальных передаточных числах |
8,0 |
10,0 |
12,5 |
16,0 |
20,0 |
25,0 |
31,5 |
40,0 |
50,0 |
63,0 |
80,0 |
1500 |
89 |
88 |
87 |
84 |
83 |
81 |
74 |
73 |
68 |
62 |
60 |
1000 |
88 |
87 |
86 |
82 |
81 |
79 |
71 |
69 |
65 |
59 |
57 |
750 |
87 |
86 |
85 |
82 |
80 |
78 |
69 |
67 |
63 |
56 |
54 |
| Допускаемая радиальная консольная нагрузка на выходном валу |
| при вариантах сборки 51, 52 - 3000 Н |
при вариантах сборки 53, 56 - 1500 Н |
Вариант сборки

Масса редуктора, кг
(в зависимости от варианта крепления и сборки)
Вариант крепления |
с алюминиевым корпусом |
с чугунным корпусом |
при вариантах сборки |
51; 52 |
53 |
56 |
51; 52 |
53 |
56 |
1 |
12,0 |
12,5 |
11,5 |
15,5 |
16,0 |
15,0 |
2 |
12,0 |
12,5 |
11,5 |
14,5 |
15,0 |
14,0 |
3; 4 |
12,0 |
12,5 |
11,5 |
14,5 |
15,0 |
14,0 |
Двухступенчатые цилиндрические редукторы 1Ц2У-100, 1Ц2У-125, 1Ц2У-160, 1Ц2У-200, 1Ц2У-250
Одноступенчатые цилиндрические редукторы серии ЦУ-100, ЦУ-160, ЦУ-200, ЦУ-250
Двухступенчатые цилиндрические редукторы серии 1Ц2У-315Н, 1Ц2У-355Н, 1Ц2У-400Н, 1Ц2Н-450, 1Ц2Н-500
Трехступенчатые цилиндрические редукторы ЦЗУ-160, ЦЗУ-200, ЦЗУ-250
Одноступенчатые червячные редукторы серии 1Ч-63А
Одноступенчатые червячные редукторы Ч-100, Ч-125, Ч-160
Одноступенчатые червячные редукторы 1Ч-160
Двухступенчатые редукторы Ч2-160
Редукторы червячные одноступенчатые 4Ч-80
Одноступенчатые червячные редукторы Ч-80
Одноступенчатые червячные редукторы 2Ч-40, 2Ч-63, 2Ч-80
Цилиндрические соосные мотор-редукторы MTC A
Цилиндрические соосные мотор-редукторы R (RF)
Двухступенчатые мотор-редукторы 4МЦ2С, 4МЦ2С-63, 4МЦ2С-80, 4МЦ2С-100, 4МЦ2С-125
Цилиндрические мотор-редукторы 1МЦ2С, 1МЦ2С-63, 1МЦ2С-80, 1МЦ2С-100, 1МЦ2С-125
Цилиндрические плоские мотор-редукторы серии F
Мотор-редукторы планетарные тип: 3МП-31,5; 3МП-40; 3МП-50; 3МП-63; 3МП-80; 3МП-100; 3МП-125
Мотор-редукторы планетарные двухступенчатые МПО2М-10, МПО2М-15
Мотор-редукторы планетарные одноступенчатые типа МПО1М-10
Мотор-редукторы планетарные МРВ-02 и МРВ-04
Волновые мотор-редукторы ЗМВз
Цилиндро-конические мотор-редукторы K
|