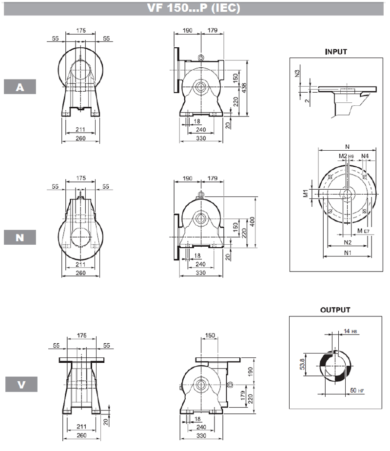
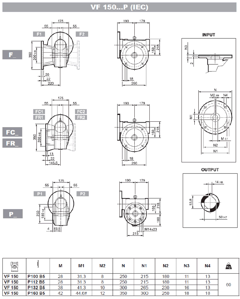
Габаритно-присоединительные размеры VF150

 

Назад

Назад

 
© 2014 Редукторы, мотор-редукторы, устройства плавного пуска, преобразователи частоты