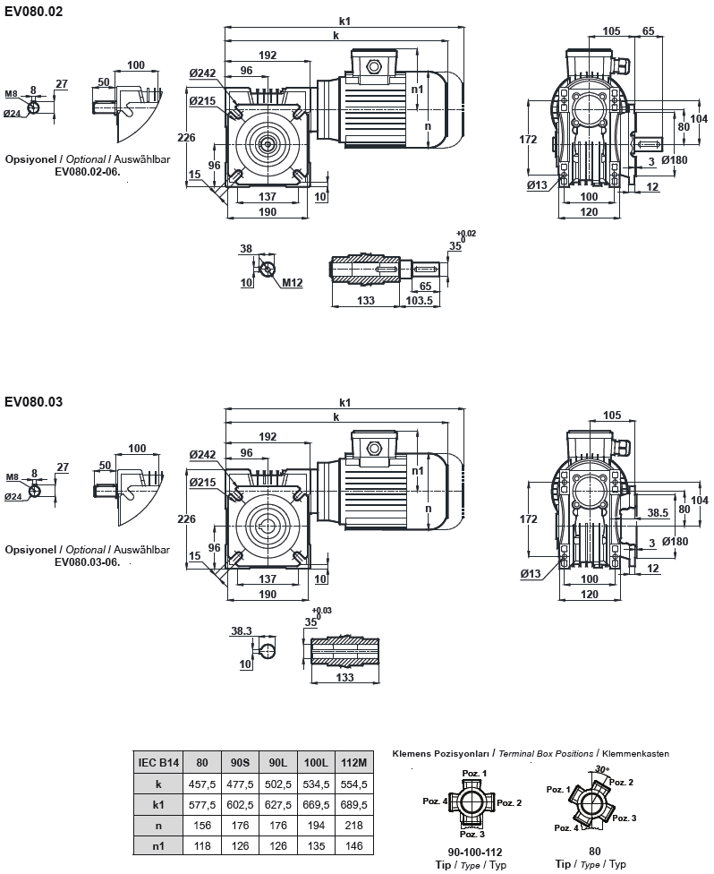
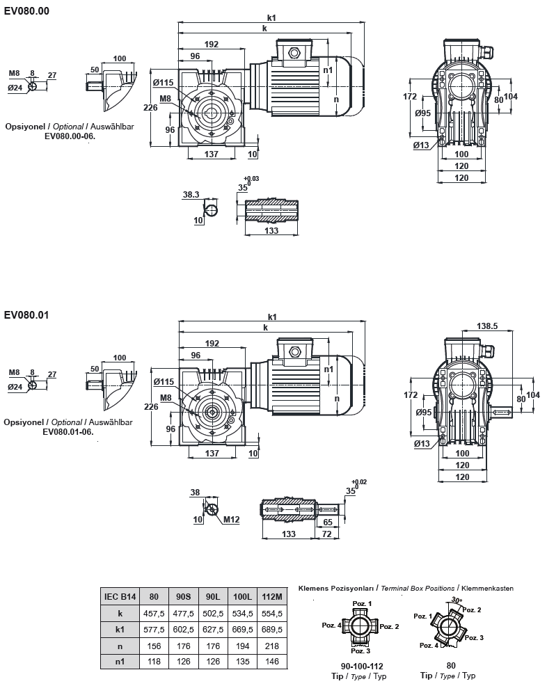
Червячный мотор-редуктор EV080 (EN080)

 

Назад

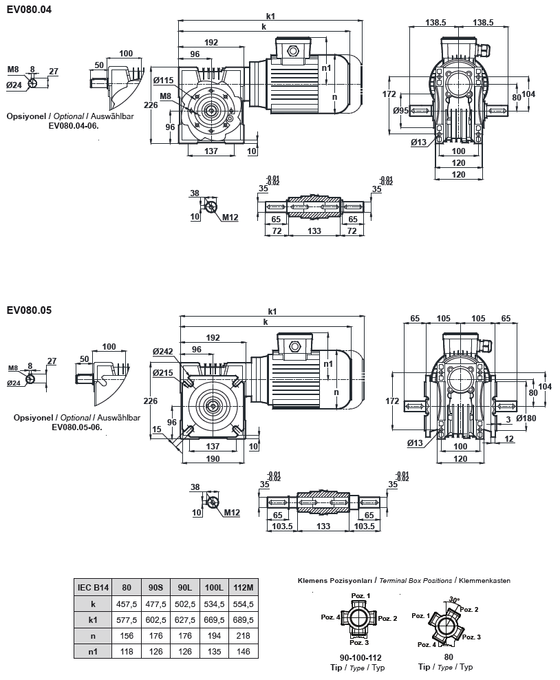
Червячный мотор-редуктор EV080 (EN080)

Назад

 
© 2014 Редукторы, мотор-редукторы, устройства плавного пуска, преобразователи частоты