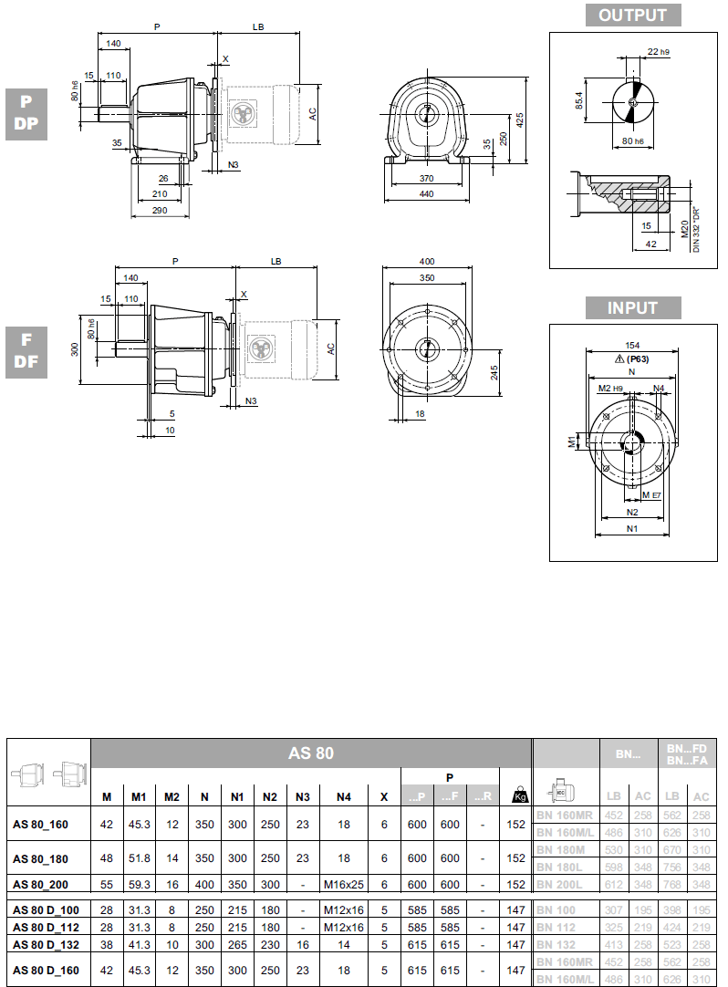
Габаритно-присоединительные размеры AS 80

 

Назад

 

Габаритно-присоединительные размеры AS 80

Назад

 
© 2014 Редукторы, мотор-редукторы, устройства плавного пуска, преобразователи частоты